|
| 联系我们 CONTACT |
|
|
无锡铨圣电子科技有限公司
地址:无锡市锡山区东港镇
黄土塘工业园
联系人:蒋先生
手 机:13621512022
传 真:0510-88790669
http://www.wxtruesun.com |
|
|
|
|
|
|
| 产品展示 PRODUCT
|
|
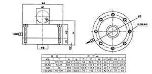
| TS-303 |  
特点与用途:
该传感器合金钢材质,采用轮辐式结构,抗偏载、 精度高等特点广泛用于工业系统中力的测量和 试验机、汽车衡等各种电子自动称量系统中
技术参数Technical parameter
| 灵敏度 |
Sensitivity |
2.0±0. 02mv v 4.0±0. 02mv v
|
| 精度等级 |
Accuracy class |
C2 C3 |
| 零点平衡 |
Zero balance |
±2%F.S |
| 非线性 |
Nonlinearity
|
士0. 02%F.S |
| 滞后 |
Hysteresis |
士0. 02%F.S |
重复性
|
Repeatability |
士0. 02%F.S |
| 蠕变(30分钟) |
Creep(30min) |
士0. 02%F.S |
| 温度对零点影响 |
Temperature effect on zero |
±0.017%F.S/10℃ |
温度对输出影响
|
Temperature effect on sensitivity |
±0.017%F.S/10℃ |
| 输入阻抗(Q) |
Input impedance |
780±10 380±10
|
| 输出阻抗(Q) |
Output impedance |
700 ± 5 350±5 |
绝缘电阻
|
Insulation impedance |
≥5000M Q(50VDC)
|
| 温度补偿范围 |
Compensated Temperature Range |
-10°C 〜+ 40°C
|
| 工作温度范围 |
Operating Tenperature Range |
-30°C 〜+ 70°C |
| 安全过载能力 |
Safe Overload |
150%F.S |
极限超载范围
|
Ultimare Overload |
200%F. S 1 |
推荐激励电压
|
Excitation,recommend |
10 〜15V |
激励电压
|
Excitation,maximum |
18V |
接线电缆
|
Cable
|
Φ5.6x3M |
| 连接方法 |
Cable Color Code |
输入:红(+ )黑(-) |
| Input:Red (+) BIack(-) |
输出:绿(+ ) 白(-)
|
| Output:Green(+) Wh i te(-) |
| | |  |
|
|
|
|